Electrical Systems on Roam
A practical look at how we’re rebuilding the electrical system on Roam, and what we’re learning as we design reliable power for life aboard.
A practical, evolving look at how we’re designing, rebuilding, and living with a modern cruising catamaran electrical system.
At the heart of every long-term cruising life is a dependable electrical system — the power that keeps lights, navigation, comfort, and safety systems running when we’re days from land.
Why This Matters to us
Electrical systems touch everything on a modern boat — from safety and navigation to cooking dinner and getting work done. For us, rebuilding Roam’s electrical system isn’t about chasing the latest technology. It’s about reliability, autonomy, and automation. In many cases, automation equals safety; if I don't have to actively engage a safety system to activate it in an emergency, I can focus on other things that cannot be automated.
What We're Building (High Level)
At a high level, we’re rebuilding Roam’s electrical system around a few core goals:
- offshore autonomy
- redundancy and fault tolerance
- simplicity where possible
- systems we can diagnose and repair ourselves
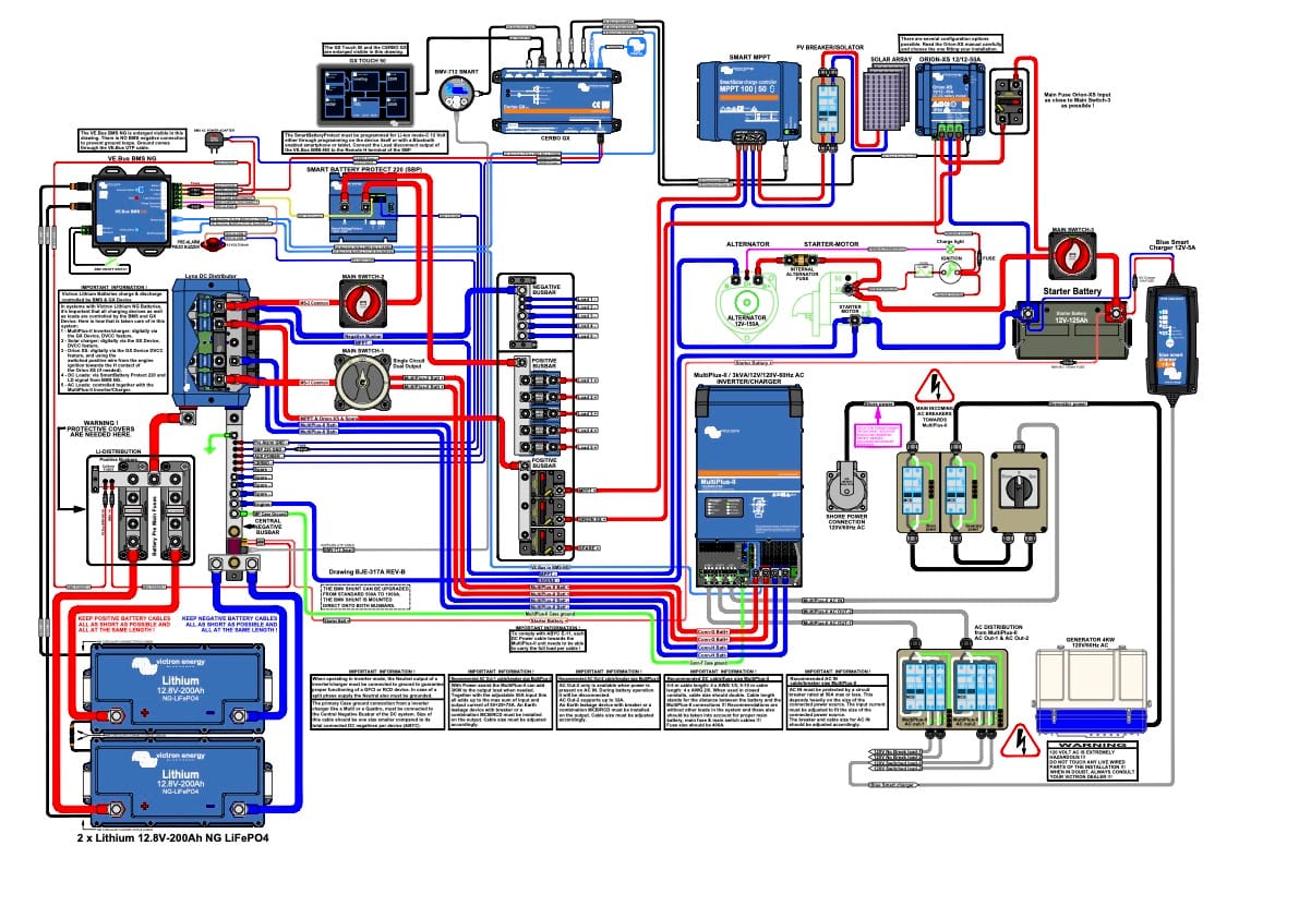
We’ve chosen to build our electrical system primarily around equipment from Victron Energy and Maretron. Their modular approach, strong monitoring tools, standards based design, and reputation in offshore cruising align well with how we want to live aboard and maintain the system ourselves.
What follows is a high-level look at the major pieces of the system — not wiring diagrams or instructions, but how the parts fit together and why we made the choices we did.
- voltage selection
- inverter sizing
- redundancy
On paper, this looks like a technical decision. In practice, it affects almost every part of daily life aboard.
System voltage choices and why
Most boats historically used 12V systems because that was what was available and easy to find. But as boats demand more power and lithium technology improves, higher voltages provide advantages in efficiency and cable sizing.
This reduces weight and cost! But, there's always a catch... While 48v is most efficient for the high current consumers, most of the devices we have are only available for 12v-24v with one critical system only operating on 12v. In the end, we decided we would have both 24v and 48v battery banks and use a DC-DC converter to create the 12v we need for the NMEA2000 backbone.
On the AC side, we also have three voltages and two frequencies: 120/60Hz, 240/60hz, and 230/50hz. This also isn't a simple as we'd hoped but was necessary to support the appliances we have. Being based in North America, the 60Hz system was what we'd hoped would be enough. Roam was built in France though and the washing machine it was originally equipped with is only available in a 50Hz model and the space it occupies will only fit that unit. It's a compromise we don't love and at some point in the future when it fails, we'll likely install a new machine in a different location and remove the 50Hz system then.

Major Electrical Subsystems
We have five electrical subsystems across roam.
Power Generation
Solar
- Eight 570 watt Jinko bifacial panels gather the sun's energy and pass it to four Victron MTTP controllers to get it into our batteries.
Charging sources
- A 50a shore power connection provides charging only when we have no other option.
- A pair of 48v high-output alternators on the main engines will stuff the batteries when the sun isn't sufficient.
We've approached power generation very intentionally and decided that a dedicated AC generator isn't what we want. They're heavy, another major device that needs maintenance, and truly not necessary with the high-output alternators that are available now.
Energy Storage
Lithium battery bank
- Our energy storage is spread unevenly across two battery banks that we built. The 48v bank consists of four 230ah batteries while the 24v bank is two 230ah batteries.
- We used CALB prismatic cells and Jikong BMS for the batteries.
Distribution & Switching
Digital vs traditional switching
- We removed the traditional switching from the boat when we started the refit and always intended to switch to digital. Digital allows us to run fewer long wires to distribution points with electronic circuit breakers that can turn devices on or off from anywhere on the boat. It also allows us to automate certain scenarios like operating at night or turning on every light at once from a single switch in an emergency.
Load management philosophy
- Lithium batteries typically don't have the ability to discharge at as high a rate as lead acid batteries so ensuring we have enough discharge capacity is a part of the equation. Each of our batteries is capable of discharging at 200a. That translates to 400a of total discharge for the 24v bank and 800a for the 48v bank. With the biggest consumers (Inverters) on the 48v bank and limiting the big consumers on the 24v bank to just the windlass and one electric deck winch, we ensure the load is within capabilities of each battery bank.
- Another side of load management is Load Shedding and Optimization. Load shedding is turning down or off consumers under certain circumstances. For instance, turning down the air conditioning when energy storage is below a certain level. Optimization on the other hand would be running the water maker when there is excess solar. In both of these cases, digital switching makes it easier for us to programmatically shed and optimize our loads.
Inverters & AC Power
Inverters convert stored DC power (from batteries and solar) into AC power that household-style appliances can use — essentially creating “shore power” while at anchor.
Why inverter size matters
- Many boats focus on keeping the majority of their systems on DC power to reduce the inverter load. This allows the installation of smaller inverters and can be more efficient. When we decided to use an induction hob and electric oven that came with a much bigger AC power requirement. As a result, we have two large inverters that are capable of providing much more power than we need most of the time. This lead us to evaluate other consumers and make some different decisions. For instance, most boats use DC water pumps for the fresh water system. They're expensive, they don't work very well, they're noisy, and they don't last. But, if you don't have the AC capacity to run a regular jet pump, it's the only option you have. Since we have the extra AC capacity, we chose to use Grundfos stainless steel jet pumps that operate at 240v. They're far more efficient, move 10-times the water and and are designed to last decades.
Living fully electric aboard
- Autonomy and safety are what drove us to go fully electric. Having compressed gas onboard creates known and understood safety challenges and requires that you have regular access to fill the bottles if you want to cook. Going all electric has other concerns - a lightning strike could leave us without power and no way to cook. We chose to eliminate compressed gas so we could go further and longer and we'll just have to watch the weather more closely and possibly run when we really don't want to.
Monitoring & Instrumentation
- We selected Victron's Ekrano monitoring display and have installed NodeRed and HomeKit to enable deeper automation and data collection.
- With digital switching we also have circuit level current monitoring. This allows us to see if a load changes from normal. A change in the load can indicate a loose connection or a failing device and allows us to begin maintenance before it becomes a failure or a fire.
How We’re Documenting the Process
We’re documenting this rebuild as it happens — the decisions, the mistakes, and the tradeoffs — across a series of videos and posts.
- Featured starting point:
👉 EP62 — Rebuilding the Electrical System - Refit Playlist:
👉 Electrical & Refit Videos on YouTube
What This Page Is (and Isn’t)
This isn’t a step-by-step guide or a recommendation that others should copy our system exactly. Boats, budgets, and priorities are different. This page exists to share how we think through complex systems, what we’ve learned so far, and what we’d do differently next time.
Where This Is Headed
Over time, this page will grow as the system evolves. We’ll add deeper explanations, diagrams, lessons learned, and links to individual projects as they’re completed.
Interested in deeper electrical topics or planning your own system? 👉Subscribe to follow along as this page grows with more lessons, diagrams, and episode links.